Les borniers & Les symboles câbles
Les borniers & Les symboles câbles
Introduction
Les borniers, les liaisons ( de chaque coté des borniers ) et les symboles câbles ( à coté des liaisons ) peuvent être automatiquement générés à partir des bornes et des câbles ( définition ) présents sur le schéma.
Voir aussi : Dialogue Générer un bornier
Dialogue Placer un câble ( définition )
Un exemple concret
Sur le schéma:
- 4 bornes ( = 4 symboles bornes ): X1.1, X1.2, X1.3, X1.4
===> Utilisées pour générer le bornier X1 à 4 bornes.
- Le câble ( définition ) WG1 avec 4 brins: Bleu / Marron / Gris / Noir
===> Utilisé pour générer le symbole câble WG1 à 4 brins.

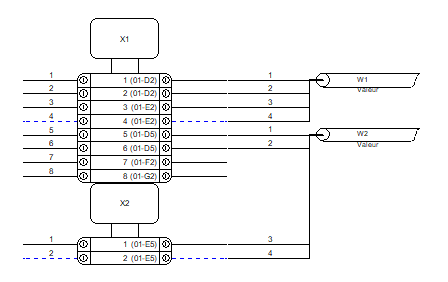
Extrait du schéma
Automatiquement généré: ( Dialogue Générer un bornier )
- W1 : Symbole câble,
- Les liaisons à gauche du bornier avec le nom des brins ( couleur ),
- Les liaisons à droite du bornier,
- Le bornier X1 avec ses 4 bornes ( de X1.1 à X1.4 ).

Bornier, liaisons et symbole câble générés automatiquement
Mode opératoire conseillé
Important: Générer les borniers et les symboles câbles une fois le schéma terminé. ( Pas d'actualisation automatique ensuite ).
- Toutes les bornes ( symboles borne ) sont présentes,
- Tous les câbles ( définition ) également
- 1 - Régler les paramètres des différents onglets du dialogue Générer un bornier.
- 2 - Utiliser le bouton Aperçu ( en bas ) pour vérifier le résultat avant de générer sur le schéma.

Dialogue Générer un bornier / Onglet Liaison / Bouton Aperçu

Exemple d'aperçu de borniers et des symboles câbles générés
En cas d'avertissement et/ou d'erreur, utiliser le Journal pour en savoir davantage.
- 3 - Une fois le résultat correct, générer sur le schéma ( Bouton OK & Fermeture du dialogue )